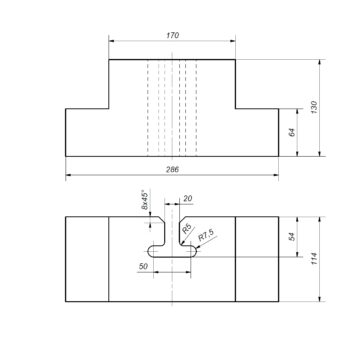
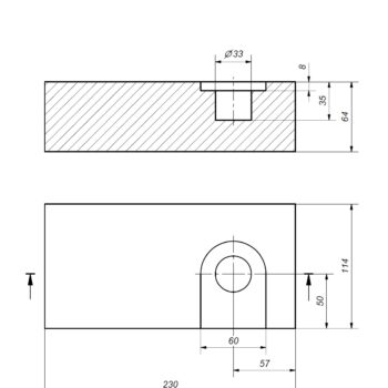
Šamotinė ankerinė plyta Normaton AS DN5
3,90 €
NORMATON produktų linija yra standartiniai šamotiniai gaminiai. Jie tinkami naudoti bet kokiose karščiui atspariose išklojose, esant vidutinėms darbo sąlygoms, iki 1350 °C temperatūros.
Pateiktos prekių nuotraukos skirtos tik iliustraciniams tikslams ir yra pavyzdinės, todėl gali neatitikti realios prekių ir jų pakuotės išvaizdos, komplektacijos, spalvos ar formos.
Norint tinkamai parinkti karščiui atsparią medžiagą konkrečiai paskirčiai, reikia tinkamai išanalizuoti įrenginio eksploatavimo sąlygas. Prieš pasirinkdami medžiagos tipą, kreipkitės į mūsų specialistą, kad įsitikintumėte, ar ją galima naudoti jūsų įrenginyje.
| Savybė | Garantuota | Tipinė | Vienetai | Standartas |
|---|---|---|---|---|
| Cheminė sudėtis | EN ISO 12677 | |||
| Al₂O₃ | 33 | 36 | % | |
| Fe₂O₃ | 2,80 | 2,50 | % | |
| Tūrinis tankis | 2,00 | 2,05 | g/cm³ | PN EN 993-1 |
| Poringumas | 22 | 19 | % | PN EN 993-1 |
| Šaltojo gniuždymo stipris | 23 | 28 | N/mm² | PN EN 993-5 |
| Standartinis atsparumas ugniai | – | 167/30 | sP | PN EN 993-12 |
| Atsparumas ugniai esant apkrovai | PN-69/H-04178 | |||
| T₀,₆ | – | 1340 | °C | |
| Šiluminis laidumas | PN EN 993-15 | |||
| prie 800 °C | – | 1,30 | W/m·K | |
| prie 1100 °C | – | 1,40 | W/m·K | |
| prie 1400 °C | – | – | W/m·K | |
| Linijinis šiluminis plėtimasis | PN EN 993-19 | |||
| prie 800 °C | – | 0,40 | % | |
| prie 1100 °C | – | 0,60 | % | |
| prie 1400 °C | – | – | % | |
| Nuolatinis linijinis pokytis | PN EN 993-10 | |||
| 1350 °C / 5h | – | +/- 0,2 | % | |
| Atsparumas terminiam smūgiui (950 °C) | – | 10 | n | DIN 51068-1 |
| Cheminė sudėtis |
AS |
|---|---|
| Simbolis |
DN5 |
PCO Żarów S.A. – tai Lenkijos įmonė, gaminanti aukštos kokybės ugniai atsparias medžiagas pramonei. Įsikūrusi Žarove, ji yra viena iš pagrindinių aliumosilikatinių gaminių tiekėjų Europoje.
Pagrindinė veikla ir produktai
PCO Žarów specializuojasi ugniai atsparių medžiagų, tokių kaip:
- tankios ir izoliacinės ugniai atsparios plytos;
- ugniai atsparūs betono mišiniai, masės ir skiediniai;
- ugniai atsparūs betoniniai gaminiai.
Šie produktai skirti naudoti pramoninėse aplikacijose, kuriose temperatūra siekia iki 1700 °C. Įmonė aptarnauja įvairias pramonės šakas, įskaitant geležies ir plieno metalurgiją, stiklo gamybą, cemento, kalkių ir popieriaus pramonę, energetiką ir atliekų perdirbimą, koksavimo pramonę bei kitas.
Techniniai pajėgumai ir gamybos apimtys
Įmonė kasmet pagamina apie 55 000 tonų ugniai atsparių gaminių, siūlydama daugiau nei 35 000 skirtingų plytų formų. PCO Žarów turi tris tunelinius krosnis, 16 automatinių ir trintinių presų bei 17 000 m² sandėliavimo plotą. Įmonėje dirba daugiau nei 250 specialistų, o metinė apyvarta viršija 60 milijonų eurų.
Tvarumas ir socialinė atsakomybė
PCO Žarów aktyviai siekia sumažinti savo veiklos poveikį aplinkai:
- naudoja perdirbtas medžiagas iš pramoninių krosnių demontavimo;
- įdiegė energijos rekuperacijos sistemas, kurios leidžia naudoti atliekamą šilumą vandens šildymui ir patalpų šildymui;
- įrengė saulės baterijas elektros energijos gamybai;
- palaipsniui keičia savo transporto priemonių parką į elektrinius modelius.
Be to, įmonė remia vietos bendruomenės iniciatyvas, kultūrinius projektus ir sporto renginius, prisideda prie socialinių akcijų, tokių kaip "Szlachetna Paczka".
Tarptautinė veikla
Per daugiau nei 30 metų PCO Žarów eksportavo savo gaminius į daugiau nei 40 šalių visame pasaulyje, įskaitant Lietuvą. Įmonė aptarnauja klientus Europoje, Azijoje, Šiaurės ir Pietų Amerikoje, Afrikoje bei Okeanijoje, bendradarbiaudama su įvairiomis pramonės šakomis.
